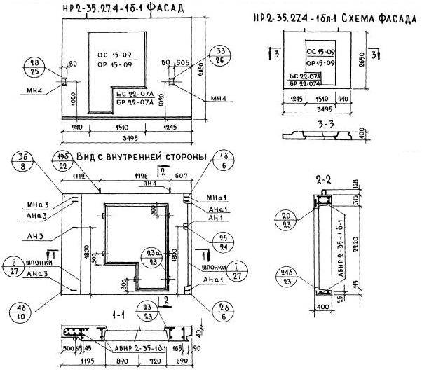
НР2-35.27.4-1бл-1
Характеристики изделия:
| Параметр | Значение |
|---|---|
| Длина | 3495 мм |
| Ширина | 400 мм |
| Высота | 2650 мм |
| Масса | 3390 кг |
| Нормативный документ | Серия 1.132-1 |
Цена:
Рассчитать стоимостьНР2-35.27.4-1бл-1 Наружная стеновая панель рядовая по Серии 1.132-1.
| Параметр | Значение |
|---|---|
| Длина | 3495 мм |
| Ширина | 400 мм |
| Высота | 2650 мм |
| Масса | 3390 кг |
| Нормативный документ | Серия 1.132-1 |
НР2-35.27.4-1бл-1 Наружная стеновая панель рядовая по Серии 1.132-1.