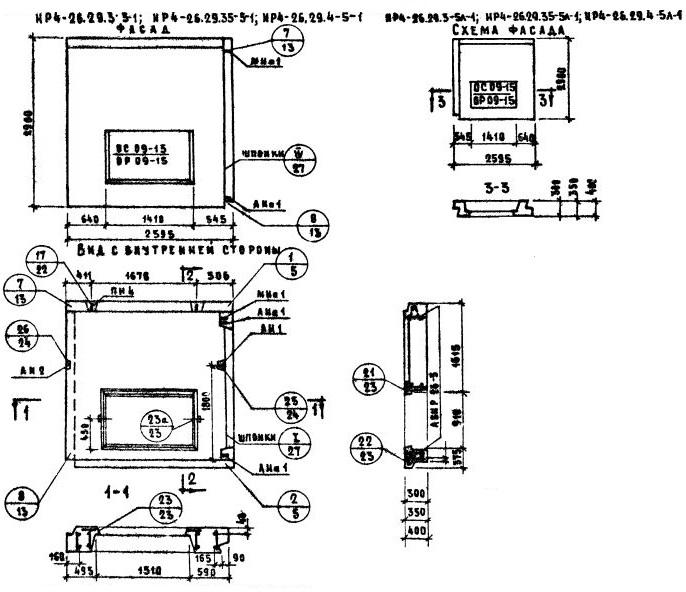
НР4-26.29.3-5-1

Чертеж изделия:
Чертеж НР4-26.29.3-5-1
Характеристики изделия:
ПараметрЗначение
Длина2595 мм
Ширина300 мм
Высота2900 мм
Масса2580 кг
Нормативный документСерия 1.132-1

НР4-26.29.3-5-1   Наружная стеновая панель рядовая по Серии 1.132-1.